Муфта комбинированная TEBO внутренняя резьба. белый / серый цвет
Муфта комбинированная TEBO предназначена для перехода с полипропиленовой трубы на трубную резьбу.
В конструкцию фитингов TEBO technics заложены несколько принципиальных решений, которые повышают их надежность и удобство применения.
Латунные элементы комбинированных фитингов имеют обратные проточки уникальной конструкции «ласточкин хвост», обеспечивающие более надежное примыкание латунной и полипропиленовой частей фитинга. Это гарантирует сохранение герметичности соединения даже при повышенных механических нагрузках на фитинг и улучшает его гидравлические характеристики.
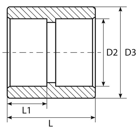
Технические характеристики муфты разъемной из полипропилена:

| Цвет | серый / белый |
| Изделие | муфта |
| Диаметр, мм |
|
| Переход на резьбу |
|
| Тип резьбы: | внутренняя резьба |
| Тип фитинга: | комбинированный |
| Материал резьбовой части: | никелированная латунь |
| Инженерная система: | ГВС, отопление, ХВС |
| Тип соединения изделий: | сварка |
| Номинальное давление PN, бар: | 20 |
| Страна происхождения: | Китай / Россия |

Специально созданные конструктивные элементы — метки на поверхности фитинга позволяют наглядно определить длину сварочного пояска раструба фитинга. Наличие таких меток упрощает процесс монтажа инженерных систем на основе PP-R труб и фитингов TEBO technics. Продольные метки, нанесенные на поверхность фитингов, позволяют соосно сварить трубы и фитинги.
Все трубы и фитинги прошли успешные испытания в «Инженерном центре «Трубопроводы и Экология» по «стойкости фитингов и их соединений с трубами» в соответствии с ГОСТ 32415-2013. Технические разработки защищены патентами: №92932, №92931, №91130.
Фитинги TEBO technics изготавливаются из современного материала — Polypropylene Random Copolymer (PP-R тип 3) и представлены в широком ассортименте диаметров. Эта продукция предназначена для монтажа трубопроводов различного назначения: от систем холодного и горячего водоснабжения до отопления и технологических трубопроводов в пищевой и химической промышленности.
TEBO technics представляет собой продукцию высокотехнологичного уровня, производимую на европейских производственных линиях с использованием европейского сырья и строгим контролем качества. Результаты лабораторных и сертификационных испытаний демонстрируют, что технические характеристики труб и фитингов TEBO technics соответствуют нормам стандартов ГОСТ 32415-2013, DIN 8077/8078 и другим промышленным стандартам.
Фитинги TEBO technics удовлетворяют самым современным требованиям, предъявляемым к продукции. Они отличаются не только технологичностью и высоким качеством производства, но и широким ассортиментом, надежностью, долговечностью и эстетичным дизайном. Покупая продукцию TEBO technics, потребитель получает гарантированное качество и возможность наслаждаться чистой питьевой водой без каких-либо проблем.
Купить комбинированную муфту пропилен белого или серого цвета TEBO в Минске по лучшей цене первого поставщика у нас - Инжиниринговая компания ТеплоСтройИнвест.
Обращаем ваше внимание, что наличие товаров на сайте указано справочно и может отличаться.
Пожалуйста, уточняйте актуальную информацию у наших менеджеров — они всегда готовы помочь вам с выбором и подтвердить наличие нужной модели на складе.
Производитель
TEBO
Тип
муфта




