Клапан приоритета бойлера ГВС ZOTA BPV
Клапан приоритета бойлера ГВС ZOTA BPV
Клапан приоритета бойлера ГВС ZOTA BPV предназначен для обеспечения потребителя горячим водоснабжением при совместной работе котла отопления и косвенного водонагревателя (бойлера).
Клапан может применяться совместно с электрическими или газовыми котлами, в которых предусмотрены:
• разъем для питания сервопривода трехходового клапана с переменным напряжением 220 В;
• датчик температуры теплоносителя в котле;
• датчик температуры ГВС.
Клапан устанавливается в контур системы отопления и в автоматическом режиме перенаправляет теплоноситель от системы отопления в контур змеевика косвенного водонагревателя и обратно.
Комплект поставки:
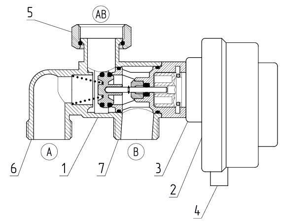
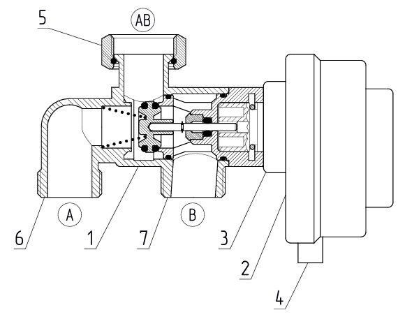
- трехходовой клапан (1),
- электрический линейный привод (2),
- фланец двигателя (3), который фиксирует линейный электропривод в корпусе трехходового клапана,
- трёхконтактная вилка (4), которая служит для подключения кабеля к линейному электроприводу.
Трехходовой клапан имеет один вход (5, АВ), и два выхода: выход в контур змеевика косвенного водонагревателя (7, В), выход в контур отопления.
Конструкция клапана приоритета бойлера ГВС ZOTA BPV:
![]() | |
| 1 - Трехходовой клапан 2 - Электрический линейный привод 3 - Фланец двигателя 4 - Трёхконтактная вилка 5 - Вход в трехходовой клапан (АВ) | 6 - Выход в систему отопления (А) 7 - Выход в контур змеевика косвенного водонагревателя (В) |
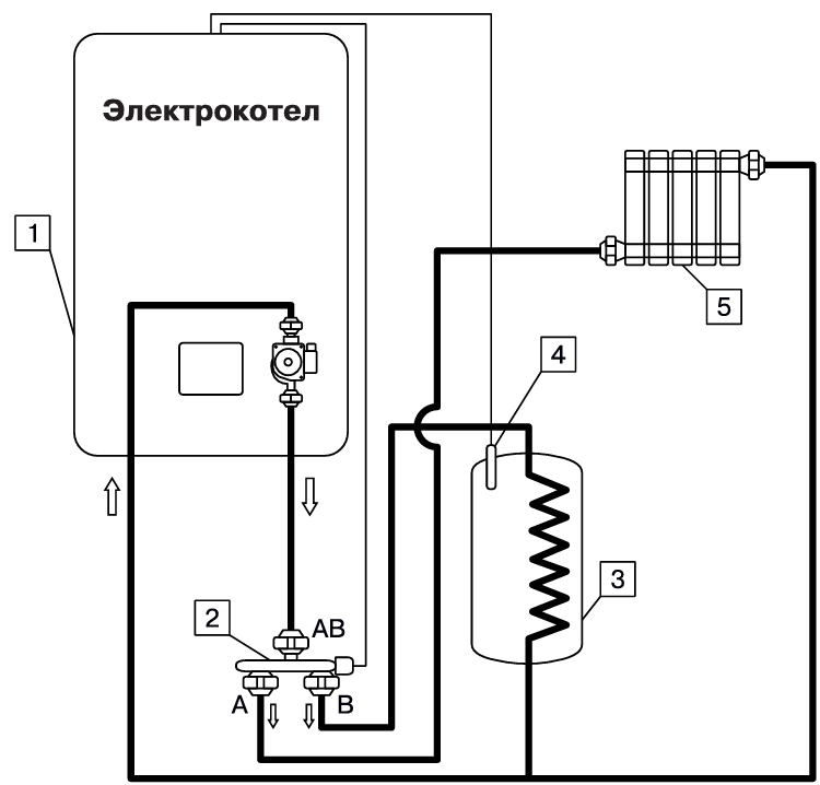
Гидравлическая схема подключения клапана приоритета бойлера ГВС ZOTA BPV
![]() | 1 - Котёл 2 - Трехходовой клапан 3 - Бак водонагревателя ГВС 4 - Датчик температуры ГВС 5 - Отопительные приборы |
Купить клапан приоритета бойлера ГВС (фугас) в Минске для электрического котла в Минске можно у нас - инжиниринговой компании "ТеплоСтройИнвест".
Обращаем ваше внимание, что наличие товаров на сайте указано справочно и может отличаться.
Пожалуйста, уточняйте актуальную информацию у наших менеджеров — они всегда готовы помочь вам с выбором и подтвердить наличие нужной модели на складе.
Производитель
ZOTA
Особенности
Клапан приоритета бойлера
Страна производитель
Россия
Купить электрокотел для отопления частного дома в Беларуси – быстрая доставка, монтаж и сервис. Предлагаем электрические котлы с доставкой по всей Беларуси!
Независимо от того, в каком областном центре вы находитесь – Минск, Гомель, Витебск, Гродно, Брест или Могилев – заказывайте надежный электрический котел с удобной доставкой и установкой.
Почему стоит купить котел электро у нас - инжинирнговой компании "ТеплоСтройИнвест":
- Доставка за 1–3 дня – быстро привезем котел в ваш город.
- Профессиональный монтаж – установка с учетом норм безопасности и технических требований.
- Подключение и настройка – запустим котел, проверим работу и обучим вас управлению.
- Гарантия от производителя – официальная поддержка и надежность.
- Более 3000 довольных клиентов – убедитесь в качестве наших услуг!
Как купить электрокотел с доставкой?
- Выберите подходящую модель в каталоге.
- Оформите заказ на сайте или по телефону.
- Доставим котел в ваш город в удобное время.
- Наши специалисты выполнят установку, подключение и проверку работы.
📞 Позвоните нам или оставьте заявку на сайте – проконсультируем и подберем оптимальное решение для вашего дома. Возьмем на себя всю работу по установке и монтажу котла для отопления дома!





