Электрический котел MORA-TOP ELECTRA MINI 9 кВт

Электрический котел MORA-TOP ELECTRA MINI 9 кВт предназначен для установки в традиционных системах
отопления и для использования в качестве резервного источника для современных систем отопления с тепловыми насосами или с солнечной системой.
Настенный электрический котёл MINI 9 кВт предназначен для отопления помещений площадью 80-90 м2 и может быть установлен в отопительных теплопроводных системах с принудительной циркуляцией воды.
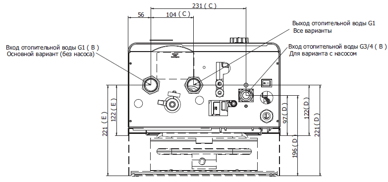
В электро котле MINI 9 кВт предусмотрена возможность подключения циркуляционного насоса и расширительного бака.
Чешский электрический котел МОРА- ТОП MINI 9 кВт сконструирован согласно последним действующим техническим нормам. Особое внимание было уделено безопасности эксплуатации электро котла, минимизации эксплуатационных расходов при сохранении стандартов надёжности. При изготовлении котла применялись новейшие технологии и использовались современные европейские комплектующие.
Электро котлом MINI 9 кВт можно управлять с помощью панели управления, на которой можно установить требуемую мощность и температуру отопительной воды. Панель управления также служит для отображения актуальных величин давления и температуры.
Преимущества настенного электрического котла MORA-TOP ELECTRA MINI 9 кВт:
- Простое управление установка температуры и мощности при помощи котлового термостата;
- Низкое внутреннее сопротивление вход/выход;
- Небольшие размеры;
- Простое и надежное электромеханическое управление;
- Модульное решение - в случае необходимости можно дополнительно подключить насос или расширительный бак;
- Высококачественные европейские комплектующие;
- Возможность выбора частичной / максимальной мощности;
- Возможность эксплуатации на и фазы в соответствии с выбранной мощностью;
- Низкое внутренне сопротивление вход / выход G1";
- Встроенный впускной сливной клапан;
- Защитные функции: от перегрева и от потери давления;
- Возможность подключения комнатного термостата;
- Автоматический выпуск воздуха.
Гарантия на чешский электрический котел MORA-TOP мощностью 9 кВт 2 года.
Технические характеристики электрокотла MORA-TOP ELECTRA MINU 6 кВт для отопления частного дома
| Электрические параметры | |
| Потребляемая мощность | 9 кВт |
| Полезная мощность | 9 кВт |
| Мощность нагревательных элементов | 2 ТЭНа x 3 стержня х 1,5 кВт |
| Электросеть | 3x230/400+N+PE/50 Гц |
| Номинальный ток макс. | 1x28/3x10/2x19 (подключение на 2 фазы) |
| Главный выключатель | 1x30/2x20/3x12 (подключение на 2 фазы) |
| Параметры | |
| Ширина | 370 мм |
| Высота | 625 мм |
| Глубина | 225 мм |
| Вес котла | 20,5 кг |
| Требования при подключении | |
| Мин. давление отопительной системы | 0,4 бар |
| Макс. давление отопительной системы | 3 бар |
| Макс.температура отопительной воды | 80 °C |
| Объем воды в котле | 10,6 литров |
| Расширительный бак | Опционально |
| Циркуляционный насос | Опционально |
Техническая документация на электрический котел MORA-TOP ELECTRA Mini 9 кВт:
Где купить электрический отопительный котел для отопления частного дома или квартиры Мора Топ МИНИ мощностью 9 кВт 380 В? Поможем рассчитать мощность энергосберегающего электрического котла для отопления дома или квартиры. Вы можете заказать монтаж электрического котла в Минске, проект отопления с электрическим котлом. Простой подбор оборудования осуществляем бесплатно!
Наша компания оказывает следующие услуги:
- установка и монтаж экономного настенного электро котла отопления мощностью 9 кВт чешского производителя MORA-TOP;
- бесплатная доставка электрического котла отопления по Беларуси;
- предлагаем купить электрокотел для отопления частного дома, воспользовавшись нашей фирменной рассрочкой на 4 месяца 0%.
Обращаем внимание, что корректная и длительная работа электро котла зависит от правильности его установки и ввода в эксплуатацию. Поэтому очень важно обратиться в уполномоченный сервисный центр за квалифицированной помощью по данным вопросам. При несоблюдении требований по установке и техническому обслуживанию бытового настенного двухфазного электрического котла MORA TOP ELECTRA Mini 9 кВт гарантийные обязательства со стороны производителя в случае технической неисправности распространяться не будут.

Обращаем ваше внимание, что наличие товаров на сайте указано справочно и может отличаться.
Пожалуйста, уточняйте актуальную информацию у наших менеджеров — они всегда готовы помочь вам с выбором и подтвердить наличие нужной модели на складе.
Производитель
Mora-Top
Мощность
9 кВт
Площадь обогрева
90 м2
Страна производитель
Чехия
Купить электрокотел для отопления частного дома в Беларуси – быстрая доставка, монтаж и сервис. Предлагаем электрические котлы с доставкой по всей Беларуси!
Независимо от того, в каком областном центре вы находитесь – Минск, Гомель, Витебск, Гродно, Брест или Могилев – заказывайте надежный электрический котел с удобной доставкой и установкой.
Почему стоит купить котел электро у нас - инжинирнговой компании "ТеплоСтройИнвест":
- Доставка за 1–3 дня – быстро привезем котел в ваш город.
- Профессиональный монтаж – установка с учетом норм безопасности и технических требований.
- Подключение и настройка – запустим котел, проверим работу и обучим вас управлению.
- Гарантия от производителя – официальная поддержка и надежность.
- Более 3000 довольных клиентов – убедитесь в качестве наших услуг!
Как купить электрокотел с доставкой?
- Выберите подходящую модель в каталоге.
- Оформите заказ на сайте или по телефону.
- Доставим котел в ваш город в удобное время.
- Наши специалисты выполнят установку, подключение и проверку работы.
📞 Позвоните нам или оставьте заявку на сайте – проконсультируем и подберем оптимальное решение для вашего дома. Возьмем на себя всю работу по установке и монтажу котла для отопления дома!













