Бойлер косвенного нагрева TESY EV 10S 120 Верхние выводы теплообменника арт. 304969
Напольный водонагреватель косвенного нагрева TESY EV 10S 120 с высоким классом энергоэффективности В предназначен для подключения к газовому или электрическому котлу.
Преимущества косвенного водонагревателя TESY EV 10S 120:
- Компактные габаритные размеры - водонагреватель косвенного нагрева ТЕСИ ЕВ 10 подходит для монтажа под настенным газовым или электрическим котлом.
- Входы и выходы теплообменника и подключение расположены сверху для легкого гидравлического подключения к котлу.
- Для дополнительной защиты косвенного бойлера от известковых отложений в верхней части водонагревателя установлен магниевый анод. Благодаря защитным функциям магниевого анода срок эксплуатации бойлера увеличен на 50%.
- Предусмотрена возможность установки дополнительного электрического нагревательного элемента и термостата для управления ТЭНом (plug-and-play).
- Высокоэффективная изоляция толщиной 50 мм из пенополиуретана без содержания CFC максимально сохраняет тепло, поэтому тепловые потери при ΔT 45K составляют всего 1,0 кВт/24 часа.
- Внутреннее эмалевое покрытие косвенного водонагревателя Теси ЕВ 10 надежно защищает резервуар от появления точечной коррозии, что увеличивает срок эксплуатации бойлера.
- Встроенный термометр в верхней части водонагревателя.
- Мощный теплообменник с гладкой поверхностью площадью 1,0 м2 обеспечивает быстрый нагрев воды.
- Дренажное отверстие.
Технические характеристики косвенного водонагревателя TESY EV 10S 120:
| Объем | 114 литров |
| Вес нетто | 64 кг |
| Изоляция (жесткий ПУ) | 50 мм |
| Поверхность теплообменника | 1,0 м² |
| Объем теплообменника | 6,2 литров |
| Мощность теплообменника 60-80°C / 70-90°C | 22,4 кВт |
| Потери тепла ΔT 45K | 35 Ватт |
| Энергетический класс | B |
| Максимальная рабочая температура | 95 °C |
| Номинальное давление в резервуаре для воды | 8 bar |
| Номинальное давление теплообменника | 6 bar |
| Максимальное количество отработанной воды MIX 45°C (**15-60°C), Отключение питания (S1) | 176 литров |
| Диаметр | 600 мм |
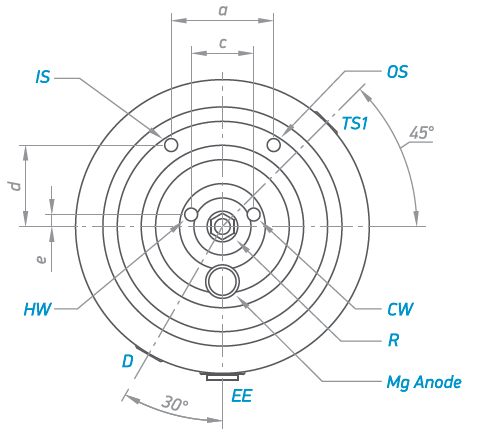
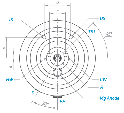
Габаритные размеры:
![]() | ||||||||||
| h мм | a мм | b мм | c мм | d мм | e мм | n мм | u мм | R мм | Ø C мм | Ø D мм |
| 1002 | 214 | 296 | 130 | 145 | 25 | 368 | 74 | 1146 | 550 | 450 |
Условные обозначения:
TS1 - термокарман G ½"
EE - отверстие для электрического элемента G 1½"
T - термометр -
CW - вход холодной воды G 1" B
IS - вход теплообменника G ¾" B
OS - выход теплообменника G ¾" B
HW - выход горячей воды G 1" B
D - дренаж G ¾" B
R - рециркуляция G 1"B
Скачать технический лист TESY EV 10S 120
Купить бойлер комбинированного нагрева TESY EV 10S 120 объемом 120 литров в Минске по адресу: ул. Каменногорская, 47.
Оформить онлайн-заказ на бойлер Теси ЕВ 120 с доставкой в любой город Республики Беларусь.
Обращаем ваше внимание, что наличие товаров на сайте указано справочно и может отличаться.
Пожалуйста, уточняйте актуальную информацию у наших менеджеров — они всегда готовы помочь вам с выбором и подтвердить наличие нужной модели на складе.
Где купить водонагреватель TESY в Минске:
В каталоге teplota.by вы можете купить водонагреватель TESY с официальной гарантией и профессиональной консультацией. В наличии все популярные модели TESY — подберём бойлер по объёму, мощности и типу подключения для дома, квартиры, офиса, гостиницы или промышленного объекта.
Купить бойлер TESY в Минске и Беларуси можно онлайн на нашем сайте или напрямую в офисе. Мы обеспечим быструю отгрузку со склада, техническую поддержку и, при необходимости, сервисное обслуживание по всей территории Беларуси.
Торговый Дом Атмос - партнер и сертифицированный поставщик бойлеров и водонагревателей TESY в Республике Беларусь.
Производитель
TESY
Тип
Косвенные водонагреватели
Страна производитель
Болгария
Объём
120 л
Диаметр
550 мм
Количество теплообменников
1
Мощность теплообменника
22,4 кВт
Купить водонагреватель в Беларуси – быстрая доставка, монтаж и сервис. Предлагаем косвенные и комбинированные бойлеры для нагрева горячей воды с доставкой по всей Беларуси!
Независимо от того, в каком областном центре вы находитесь – Минск, Гомель, Витебск, Гродно, Брест или Могилев – заказывайте надежный бойлер с удобной доставкой и установкой.
Почему стоит купить водонагреватель косвенного или комбинированного нагрева у нас - инжинирнговой компании "ТеплоСтройИнвест":
- Доставка за 1–3 дня – быстро привезем водонагреватель в ваш город.
- Профессиональный монтаж – установка с учетом норм безопасности и технических требований.
- Подключение и настройка – проверим работу и обучим вас управлению.
- Гарантия от производителя – официальная поддержка и надежность.
- Более 3000 довольных клиентов – убедитесь в качестве наших услуг!
Как купить водонагреватель для частного дома с доставкой?
- Выберите подходящую модель в каталоге.
- Оформите заказ на сайте или по телефону.
- Доставим котел в ваш город в удобное время.
- Наши специалисты выполнят установку, подключение и проверку работы.
📞 Позвоните нам или оставьте заявку на сайте – проконсультируем и подберем оптимальное решение для вашего дома. Возьмем на себя всю работу по установке и монтажу водонагревателя для дома!





