Смесительный узел ALTSTREAM SM15231
Группа автономной циркуляции Altstream SM15231 применяется для поддержания постоянной температуры в системах низкотемпературного отопления (теплые полы). Температура поддерживается на заданном уровне с помощью термостатической
головки, регулирующей количество подаваемой горячей воды. Насос в комплект не входит (приобретается отдельно). Монтажная длина 130 мм.
Смеситель состоит из термостатического клапана, используемого в сочетании с балансировочным клапаном. Балансировочный клапан с помощью запорно-регулирующего элемента регулирует количество воды, возвращающейся из обратного контура, направляемое для подмешивания с водой, поступающей в подающий коллектор вторичного контура (теплый пол). Обратный клапан предотвращает попадание горячего теплоносителя, поступающего из котла в обратный коллектор.
Группа автономной циркуляции Altstream SM15231 может применяться в системах напольного отопления, как с использованием воды, так и антифриза (на основе этиленгликоля) в качестве теплоносителя. Соединение всех элементов группы, а также ее подключение к коллекторному блоку и подающей магистрали выполнено на каучуковых (EPDM) уплотнительных кольцах, что позволяет отказаться от использования дополнительных герметизирующих и уплотнительных материалов.
КОМПОНЕНТЫ ГРУППЫ АВТОНОМНОЙ ЦИРКУЛЯЦИИ ALTSTREAM SM15231:
![]() | 1. Термостатическая головка - 1 шт.; 2. Термостатический клапан - 1 шт.; 3. Балансировочный клапан - 1 шт.; 4. Байпас - 1 шт.; 5. Термометр - 1 шт. | |
ТЕХНИЧЕСКИЕ ХАРАКТЕРИСТИКИ ALTSTREAM SM15231:
| Максимальная мощность | 25 кВт |
| Температура входящей горячей воды | 90°С |
| Разница температур на вторичном контуре | 35-55°С |
| Допуск стабильности температуры | ± 3°С |
| Максимальное рабочее давление | 8 бар |
| Динамическое давление | 1 бар |
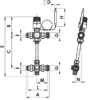
Габаритные размеры смесительного узла ALTSTREAM SM15231:
|
| Размер A B C D E F G H L M N |
Применяемые материалы:

Скачать паспорт смесительный узел Альтстрим SM15231.
Купить смесительный узел Альтстрим в Минске для гребенки теплого пола по хорошей цене первого поставщика.
Обращаем ваше внимание, что наличие товаров на сайте указано справочно и может отличаться.
Пожалуйста, уточняйте актуальную информацию у наших менеджеров — они всегда готовы помочь вам с выбором и подтвердить наличие нужной модели на складе.
Производитель
ALTSTREAM







