Теплоаккумулятор Амтео 500 TA

Теплоаккумулятор (буферная емкость) Amteo 500 литров серии ТА предназначен для использования в качестве комплектного встраиваемого оборудования автономной системы водяного отопления с принудительной циркуляцией теплоносителя в целях обеспечения непрерывности работы схемы отопления, путем поддерживания температуры внутри магистрали на заданном уровне. Буферный бак поставляется в теплоизоляции из полиэфирного материала - экологически безопасной и пригодной для вторичной переработки.
Основной материал бака: углеродистая сталь.
Аккумулирующая емкость Amteo объемом 500 литров серии ТА используется для:
− накопления нагретого теплоносителя (аккумулирования тепла) от различных источников нагрева, например твердотопливного котла, пеллетного котла, котла на биомассе, электрического котла, газового котла, камина с водяной рубашкой, теплового насоса, подключенных к теплоаккумулятору;
− передачи нагретого теплоносителя потребителю системы отопления (радиатору, теплому полу, полотенцесушителю и т.п).
Технические характеристики аккумулирующей ёмкости Амтео объемом 500 литров: 
| Вес | 100 кг |
| Объем | 500 л |
| Высота | 1744 мм |
| Диаметр | 758 мм |
| Толщина стали обичайки | 2 мм |
| Толщина стали днищ | 4 мм |
| Выводы для подключения контуров | 8 шт. |
| Резьба патрубка контуров | 1 1/2" |
| Диаметр патрубка для ТЭН | 2" |
| Технологический патрубок | 2 шт. |
| Резьба технологических патрубков | 1 1/2" |
| Гильзы для подключения датчиков | 4 шт. |
| Резьба гильзы | 1/2" |
| Рабочее давление | 2 бар |
| Максимальная температура | 90°С |
| Габарит в обрешетке (ВхШхГ), мм | 1950х900х900 мм |
Преимущества использования теплоаккумулятора в системе отопления.
- Увеличение периода между топками.
- Снижение затрат на топливо 20% за счет работы котла при номинальной мощности.
- Сглаживание температурных колебаний между котловым контуром и контуром отопления: а) возможность установки в помещении постоянной температуры, б) краткосрочный режим образования конденсата.
- Снижение закоксованости котла.
- Снижение теплопотерь 10% за счет отключения насоса котлового контура после зарядки теплоаккумулятора.
- Устранение запаха креазота в помещении и на улице.
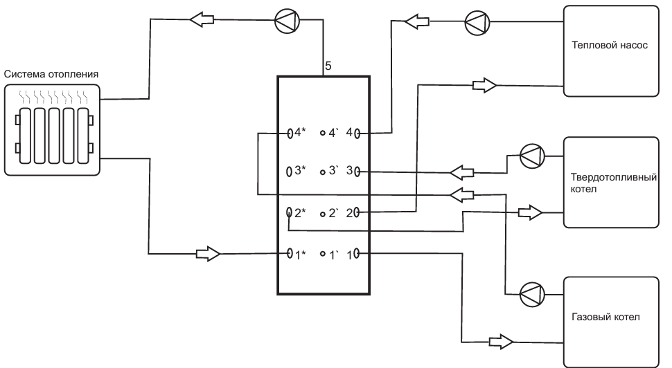
Принципиальная схема работы аккумулирующего бака:

Обозначения:
отвод 4` - термодатчик,
отвод 3` - манометр,
отвод 2` - сбросной клапан на 3 бар,
отвод 1` - подключение расширительного бака (10% от объема всей системы отопления).
Купить теплоаккумулятор AMTEO объемом 500 литров из углеродистой стали с изоляцией в Минске по лучшей цене первого поставщика.
Скачать паспорт и руководство по эксплуатации буферной емкости AMTEO
Инженерный отдел инжиниринговой компании "ТеплоСтройИнвест" поможет подобрать все необходимое оборудование для системы отопления. Обращайтесь в нашу компанию за качественным монтажом отопления "под ключ" - проект, подбор и поставка оборудования, монтажные и пуско-наладочные работы, гарантийное и ежегодное сервисное обслуживание.
Отопление Вашего дома в надежных руках профессионалов!
Заказать систему отопления под ключ с гарантией можно по телефонам: +375 29 694 33 98 , +375 29 748 14 87 , +375 17 323 69 47 .
Обращаем ваше внимание, что наличие товаров на сайте указано справочно и может отличаться.
Пожалуйста, уточняйте актуальную информацию у наших менеджеров — они всегда готовы помочь вам с выбором и подтвердить наличие нужной модели на складе.
Производитель
AMTEO
Особенности
с изоляцией
Страна производитель
Россия
Объём
500 л
Диаметр
758 мм



