Клапан служит для защиты твердотопливных котлов от низкотемпературной коррозии. Термостатические смесительные вентили TSV Regulus смешивают холодную возвратную воду из отопительной системы или аккумулирующего бака с горячей водой, выходящей из котла. Термостатические вентили предотвращают низкотемпературную коррозию и закоксовывания теплообменника твердотопливного котла. Закоксованный теплообменник значительно ухудшает КПД котла и повышает риск образования котлового камня.
Все типы вентилей TSV (для температур 45, 55, 65°C) оборудованы термоэлементом с резиновым уплотнением, которое гарантирует высокую герметичность вентиля и этим предотвращает микроциркуляцию во время простоя котла (микроциркуляция через котел вызывает охлаждение воды в аккумуляционном баке).
Термостатические вентили серии TSV (3,5,6,8) можно легко очистить или заменить термоэлемент без демонтажа вентиля из отопительной системы.
Модели TSV3B и TSV5B для своей функции не требуют применения компенсационного вентиля, имеют автоматическую компенсацию горячей воды, подаваемой по байпасу, установленному внутри вентиля.
ОПИСАНИЕ РАБОТЫ КЛАПАНА
В холодном состоянии вход из отопительной системы (горловина А) закрыт термоэлементом, установленным внутри вентиля. Отопительная вода подается из котла по открытому байпасу (горловина В) и выводом из вентиля (горловина АВ) поступает обратно в котел. При достижении открывающей температуры термоэлемента, термоэлемент начнет открывать вход из отопительной системы (горловина А) и одновременно прикрывать байпас (горловина В). С увеличением температуры возвратной воды из отопительной системы вход В (байпас) закрывается больше иоткрывается вход А из отопительной системы. В конце пределов регулирования байпас (горловина В) плотно закрыт, а вход из отопительной системы (горловина А) полностью открыт. Благодаря этому, температура поступающей в котел воды, даже при повышенной температуре возвратной воды (поступающей из отопительной системы), удерживается на низшей температуре, чем в случае применения вентиля без автоматического управления байпасом, а котел и при высокой температуре возвратной воды может работать на полную мощность.
В зависимости от гидравлических соотношений и температуры возвратной воды, поступающей из системы, удерживаемая температура всегда немного выше, чем температура открытия вентиля.
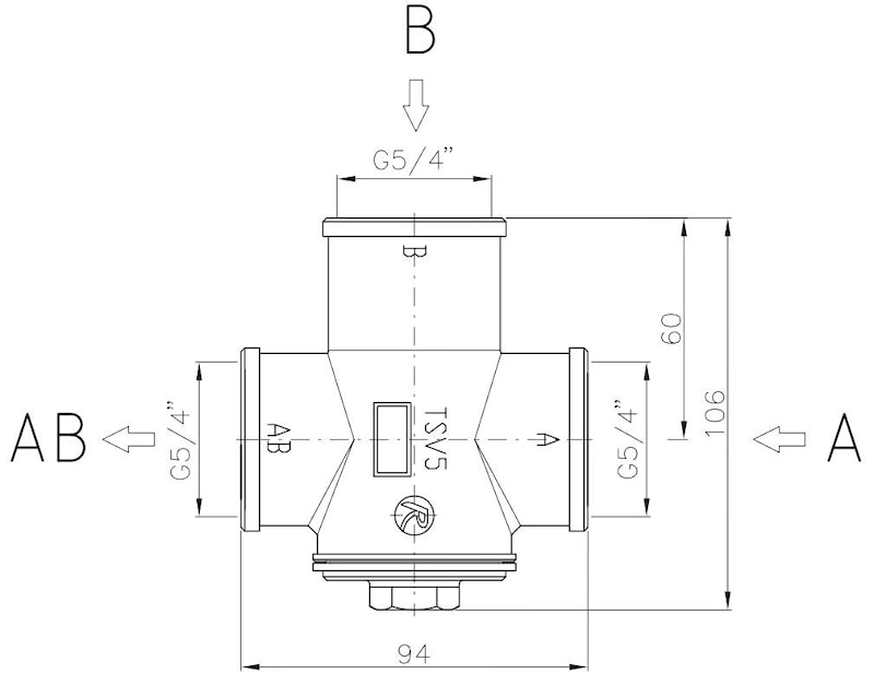
ТЕХНИЧЕСКИЕ ХАРАКТЕРИСТИКИ
| Model | TSV3B | TSV5B | TSV6B | TSV8B | |
![]() | ![]() | ![]() | ![]() | ||
| Номинальный внутренний диаметр DN | [-] | 25 | 32 | 40 | 50 |
| Максимальное рабочее давление | [бар] | 6 | 6 | 6 | 6 |
| Соединительная резьба | ["] | 1 " внутренняя | 5/4" внутренняя | 6/4" внутренняя | 2" внутренняя |
| Проточный коэффициент Kvs от А до АВ | [м3/час] | 6,2 | 7 | 13,3 | 15,8 |
| Проточный коэффициент Kvs от В до АВ | [м3/час] | 4,4 | 4,9 | 9,6 | 11,1 |
| Вес вентиля | [кг] | 0,77 | 0,87 | 1,7 | 1,85 |
| Заявочный код для температуры и герметичности | TSV3B | TSV5B | TSV6B | TSV8B |
| Открывающая температура 45 °С | 11282 | 11806 | 12974 | 12977 |
| Открывающая температура 55 °С | 11281 | 11807 | 12975 | 12978 |
| Открывающая температура 65 °C | 10080 | 11808 | 12976 | 12979 |
СХЕМА В РАЗРЕЗЕ
ПОТЕРЯ ДАВЛЕНИЯ









