Газовый котел TERMICA VITA 24 F двухконтурный Дымоход в подарок! Скидка -7% до 30 декабря!
Двухконтурный газовый котел TERMICA VITA мощностью 24 кВт — это отличное решение для отопления и горячего водоснабжения (ГВС) вашего дома. Благодаря высокотехнологичному оснащению, энергоэффективности и компактным размерам газовый котел Термика Вита идеально подходит для отопления частного дома.
Готовим проект котельной и спецификацию, поставляем котел и оборудование для обвязки, монтируем и обеспечиваем ежегодное сервисное обслуживание - инжиниринговая компания ТеплоСтройИнвест.
Подробная информация по телефону: +375 29 748 14 84 .
Преимущества TERMICA VITA 24 кВт - двухконтурный газовый котел для отопления загородного дома:

1. Два раздельных теплообменника.
TERMICA VITA оснащён двумя независимыми теплообменниками — один для отопления, второй для горячего водоснабжения (ГВС). Основной теплообменник, выполненный из медного сплава, обладает отличной теплопроводностью и долговечностью. Встроенные турбулизаторы способствуют более эффективному распределению тепла и снижению уровня шума, что делает работу котла практически бесшумной. Это обеспечивает высокую производительность и позволяет одновременно поддерживать комфортный температурный режим в доме и обеспечивать стабильную подачу горячей воды.
2. Пропорциональный газовый клапан SUZUKI.
Встроенный пропорциональный газовый клапан SUZUKI обеспечивает плавную модуляцию мощности котла. Благодаря этому автоматически подстраивает производительность под текущие потребности системы, обеспечивая оптимальный расход топлива и комфортные условия в доме. Мягкий пуск минимизирует нагрузку на компоненты котла, продлевая срок его службы.
3. Дистанционное управление работой котла.
Одной из главных особенностей является возможность дистанционного управления через мобильное приложение Smart Life, которое интегрируется с экосистемой умного дома TUYA. Это позволяет пользователям контролировать работу котла, устанавливать температуру и управлять функциями системы отопления и ГВС прямо с телефона, находясь в любой точке мира.
4. Компоненты безопасности.
Двухконтурный газовый котел TERMICA VITA оснащен современными системами безопасности, которые контролируют все ключевые параметры работы котла, такие как давление, температура и тяга дымохода. В случае обнаружения отклонений, котел автоматически прекращает работу для предотвращения возможных аварий. Это обеспечивает высокий уровень защиты и безопасности в эксплуатации.
5. Компактность и многофункциональность.
Котел выполнен в настенном исполнении, что позволяет существенно экономить пространство в помещении. Компактные размеры делают его удобным для установки как в жилых, так и в хозяйственных помещениях. Благодаря двухконтурной конструкции, TERMICA VITA одновременно выполняет функции отопления и нагрева горячей воды, обеспечивая высокий уровень комфорта.
Поможем подобрать оптимальный вариант для отопления - двухконтурный газовый котел Термика Грата 24 кВт.
Купить газовый котел двухконтурный TERMICA в Минске у первого поставщика! Звоните: +375 29 748 14 84 .
Технические характеристики TERMICA VITA 24 F:
| Количество контуров | двухконтурный |
| Полезная мощность макс | 23,2 кВт |
| Полезная мощность мин | 9,5 кВт |
| КПД | 91 % |
| Камера сгорания | закрытая |
| Номинальное давление газа (G20) | 20 мбар |
| Номинальное давление газа (G31) | 37 мбар |
| Расход газа (G20) | 2,6 / 1,12 м3/ч |
| Расход газа (G31) | 2,08 / 0,9 кг/ч |
| Регулировка температуры отопления | 30-80 °C |
| Максимальное рабочее давление | 3 бар |
| Объём расширительного бака | 6 л |
| Регулировка температуры ГВС | 35 - 60 °С |
| Производительность ГВС при t=25°C | 13 л/мин |
| Электропитание | 230/50 В/Гц |
| Потребление электроэнергии | 120 Вт |
| Вес | 28 кг |
Аварийно-предохранительные устройства и функции.
В целях безопасности автоматика котла снабжена такими функциями, как:
- защита от сухого хода,
- защита от низкого и избыточного давления,
- защита от перегрева, защита от замерзания,
- блокировка при неудачном розжиге,
- блокировка при отсутствии тяги в дымоходе и другие.
Аварийный термопредохранитель предотвращает перегрев теплоносителя в контуре отопления при достижении температуры ≥95°С.
Предохранительный клапан, установленный в котле сбрасывает излишек теплоносителя в аварийной ситуации, снижая давление в системе отопления.
Двухуровневая функция защиты от замерзания предотвращает обледенение теплоносителя в контуре отопления принудительно включая котел на нагрев отопления. Функция включается автоматически при снижении температуры ниже 8°С и отключается при достижении температуры ≥10°С.
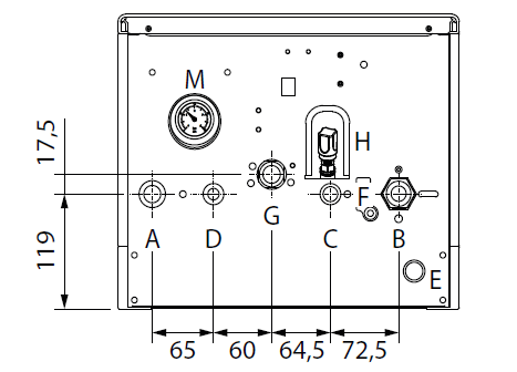
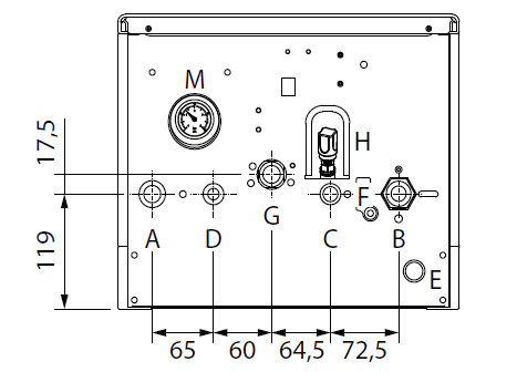
Габаритные размеры и подключения:

Гарантийные обязательства:
Гарантийный срок с даты продажи составляет 2 года. Срок службы устройства 10 лет со дня продажи.
Обязательным условием соблюдения гарантийных обязательств со стороны производителя является предъявление заполненного гарантийного талона, с указанием модели, серийного номера, а также информации о покупателе и продавце.
Обращаем внимание! Котлы TERMICA без отметки поставщика ООО "Торговый дом Атмос" в гарантийном талоне, не подлежат гарантийному обслуживанию.
Официальный поставщик котлов и уполномоченный сервисный центр TERMICA в Беларуси - ООО "Торговый Дом Атмос".
Газовый котел TERMICA VITA 24 кВт — это современное, энергоэффективное и надежное решение для вашего дома. Сочетание двухконтурной системы, плавной регулировки мощности, компактного дизайна и удобного дистанционного управления делает его идеальным выбором для комфортного отопления и горячего водоснабжения. Благодаря высокому качеству материалов, бесшумной работе и безопасности, TERMICA VITA обеспечит уют и экономию в вашем доме на долгие годы.
Купить двухконтурный газовый котел TERMICA VITA 24 кВт с доставкой по Беларуси у первого поставщика – ООО «Теплостройинвест» по лучшей цене.
Скачать паспорт технического изделия
Сертификат соответствия
Обращаем ваше внимание, что наличие товаров на сайте указано справочно и может отличаться.
Пожалуйста, уточняйте актуальную информацию у наших менеджеров — они всегда готовы помочь вам с выбором и подтвердить наличие нужной модели на складе.
Производитель
Termica
Тип
двухконтурные
Мощность
23.5 кВт
Площадь обогрева
до 240 м2
КПД
90.5%
Вид топлива
газ
Купить газовый котел для отопления частного дома в Беларуси – быстрая доставка, монтаж и сервис. Предлагаем одноконтурные и двухконтурные газовые котлы с доставкой по всей Беларуси!
Независимо от того, в каком областном центре вы находитесь – Минск, Гомель, Витебск, Гродно, Брест или Могилев – заказывайте надежный газовый котел с удобной доставкой и установкой.
Почему стоит купить котел газовый для отопления у нас - инжинирнговой компании "ТеплоСтройИнвест":
- Доставка за 1–3 дня – быстро привезем котел в ваш город.
- Профессиональный монтаж – установка с учетом норм безопасности и технических требований.
- Подключение и настройка – запустим котел, проверим работу и обучим вас управлению.
- Гарантия от производителя – официальная поддержка и надежность.
- Более 3000 довольных клиентов – убедитесь в качестве наших услуг!
Как купить газовый котел с доставкой?
- Выберите подходящую модель в каталоге.
- Оформите заказ на сайте или по телефону.
- Доставим котел в ваш город в удобное время.
- Наши специалисты выполнят установку, подключение и проверку работы.
📞 Позвоните нам или оставьте заявку на сайте – проконсультируем и подберем оптимальное решение для вашего дома. Возьмем на себя всю работу по установке и монтажу котла для отопления дома!







