Пеллетный автоматический котел ATMOS D25PX
Автоматический пеллетный котел ATMOS D 25 PX - инновационный котел для энергоэффективного отопления.
Отличительная особенность пеллетных котлов ATMOS D 25 PX - это собственные разработки и производство всех составляющих узлов (от ручки до автоматики управления) и испытания в собственных научных лабораториях готовых изделий перед массовым выпуском любого котла – пеллетного или газогенераторного. Поэтому ремонт котла, при необходимости, доступен каждому потребителю с применением фирменных запасных частей.
Пеллетные котлы ATMOS D 25 PX оснащены запатентованными автоматическими пеллетными горелками ATMOS A 25 нового поколения собственного производства, изготовленные из нержавеющей стали 6 мм.
Пеллетная горелка ATMOS A 25 - это суперсовременное надежное и полностью автоматическое оборудование со множеством эксклюзивных конструктивных и технических решений. Уникальная технология производства и тщательно продуманных деталей – от угла наклона чаши горелки и диаметра отверстий для подачи воздуха до тонких заводских настроек встроенного интеллектуального модуля управления – способствует снижению выбросов СО2 и расхода топлива до 40 % за отопительный сезон.
Данные схемы являются примером грамотного монтажа для эффективного и экономичного отопления. По желанию заказчика для обвязки малого контура вместо насосного узла малого контура LADDOMAT можно использовать термостатический вентиль REGULUS, насос и обратный клапан без пружины. В случае необходимости возможно установка пеллетного котла без буферного бака.
Для удобства обслуживания пеллетной горелки в качестве дополнительной опции завод-производитель предлагает оснастить котел ATMOS D 25 PX пневматической очисткой.
Паспорт пеллетной горелки ATMOS A25
ООО "Торговый дом "АТМОС" - официальный дилер и уполномоченный сервисный центр чешского производителя ATMOS в Беларуси.
КОНСТРУКТИВНЫЕ ОТЛИЧИЯ ПЕЛЛЕТНОГО КОТЛА ATMOS D 25 PX
- Уникальная запатентованная конструкция пеллетного котла с трубчатым теплообменником ATMOS серии D 25 PX обеспечивает надежную и безопасную работу системы отопления в автоматическом режиме.
Теплообменник чешских пеллетных котлов данной серии представляет собой запатентованную сварную конструкцию из стальных листов европейского производства толщиной 5 мм. - Камера сгорания облицована специальной армированной керамикой для стабилизации процесса горения, увеличения теплоотдачи, защиты котла от прогорания, а также для улучшения эффективности сжигания
пеллет с минимальными выбросами в атмосферу. - Вертикальный трубчатый теплообменник с сегментированными турбулизаторами специальной конструкции служит для повышения эффективности теплообмена, увеличения КПД, простой оперативной очистки без необходимости останавливать работу котла.
- В верхней части котла расположен накопитель топлива (бункер) со съемными опорными решетками, на которые можно класть мешок с пеллетами и открывать его прямо над бункером. Пополнение топлива данным способом является достаточно удобным и помогает сохранять чистоту в топочной.
- Пеллеты из бункера в горелку ATMOS A25 подаются через легкоплавкую гофрированную соединительную трубу, которая является дополнительным элементом безопасности и полностью исключает возможность обратного горения и воспламенения топливных гранул в бункере.
- Котел не оснащен контуром против перегрева, поскольку в работе котла задействовано небольшое количество пеллет и перегрев при отключении электроэнергии исключен. После возобновления подачи
электричества котел автоматически запускается и продолжает работать, согласно установленных ранее параметров. - Алгоритм работы котла и горелки осуществляется интеллектуальным контроллером, настройки которого позволяют точно дозировать подачу топлива и воздуха для сжигания пеллет с максимальной эффективностью и экономичностью.
- Продуманная система безопасной работы пеллетного котла – предохранительный термостат, датчик температуры топочных газов, защита от возгорания пеллет, самодиагностика пеллетной горелки с отображением ошибок на дисплее блока управления.
- Возможность подключения дополнительных опций для полной автоматизированной работы котла – пневматическая подача пеллет, компрессорная очистка горелки, контроллер недельного
программирования ATMOS ACD01.
Гарантия завода - производителя ATMOS 2 года, при обвязке твердотопливного котла ATMOS D 25 PX с аккумулирующей емкостью гарантия 3 года!
Котлы для пеллет ATMOS D 25 PX относятся к 6 наивысшему классу экологических норм выбросов, отвечают классу энергетической эффективности A+, европейским требованиям Ekodesign и белорусским стандартам ЭкоНИП.
![]() | ![]() | ![]() |
![]() | ![]() | |
Отличительная особенность пеллетных котлов ATMOS D 25 PX - это собственные разработки и производство всех составляющих узлов (от ручки до автоматики управления) и испытания в собственных научных лабораториях готовых изделий перед массовым выпуском любого котла – пеллетного или газогенераторного. Поэтому ремонт котла, при необходимости, доступен каждому потребителю с применением фирменных запасных частей.
ПЕЛЛЕТНАЯ ГОРЕЛКА ATMOS A 25.
Пеллетные котлы ATMOS D 25 PX оснащены запатентованными автоматическими пеллетными горелками ATMOS A 25 нового поколения собственного производства, изготовленные из нержавеющей стали 6 мм. Пеллетная горелка ATMOS A 25 - это суперсовременное надежное и полностью автоматическое оборудование со множеством эксклюзивных конструктивных и технических решений. Уникальная технология производства и тщательно продуманных деталей – от угла наклона чаши горелки и диаметра отверстий для подачи воздуха до тонких заводских настроек встроенного интеллектуального модуля управления – способствует снижению выбросов СО2 и расхода топлива до 40 % за отопительный сезон.
ФУНКЦИИ ПЕЛЛЕТНОЙ ГОРЕЛКИ ATMOS A 25.
- самодиагностика с уведомлением об ошибках на дисплее горелке, текущем состоянии горелки;
- автоматический розжиг;
- дозированная подача топлива;
- автоматическая очистка чаши горелки;
- автоматическое тестирование работы вентилятора горелки, транспортера, спиралей розжига, фотокамеры;
- автоматическое гашение пламени, защита от обратного возгорания пеллет;
- модуль электронного регулирования отслеживает обороты вентилятора горелки, при каких-либо нештатных ситуациях прекращает работу горелки;
- контроль оборотов вентилятора горелки для обеспечения сбалансированной топливовоздушной смеси в камере сгорания;
- автоматика горелки осуществляет полный контроль за работой системой отопления;
- остановка котла в случае возникновения аварийной ситуации и многое другое.
- При запуске включается шнековый транспортер и спираль розжига
- Шнековый транспортер работает, подавая в горелку необходимую для розжига порцию пеллет. После подачи пеллет автоматически выключится.
- Происходит включение вентилятора горелки, который будет работать на оборотах розжига, а также включится вытяжной вентилятор котла.
- После розжига пеллет фотокамера зафиксирует пламя и выключит спираль розжига.
- Горелка переключится на фазу полного разгорания топлива, плавно увеличивая мощность.
- После достижения номинальной мощности горелка будет работать до тех пор, пока не прогреется система отопления или буферная емкость.
- После достижения заданной температуры в системе отопления или баке-аккумуляторе горелка выключит шнековый транспортер. В результате произойдет догорание пеллет и горелка прекратит работу. При снижении заданной температуры алгоритм работы пеллетной горелки снова повторится.
- Если произойдет прекращение снабжения горелки электроэнергией, горелка автоматически возобновит работу, предварительно продиагностировав состояние основных элементов горелки.
ТОПЛИВНЫЙ БУНКЕР
Пеллетный котел ATMOS серии D 25 PX имеет встроенный бункер для пеллет, который необходимо пополнять с интервалом 1 раз в течение 3-5 дней в зависимости от температурных параметров и мощности котла. Чтобы увеличить интервалы загрузки топливного бункера можно приобрести компактные надставки объемом 65 л (код S1233) высотой 200 мм или объемом 95 л (код S1234) высотой 300 мм.
ПРЕИМУЩЕСТВА ПЕЛЛЕТНЫХ КОТЛОВ ATMOS D 25 PX
- Установка автоматического пеллетного котла обеспечит дом надежным, комфортным и автономным, а самое главное - экономичным отоплением.
- Доступная цена, соответствующая европейскому качеству.
- Специальная горелка для пеллет ATMOS A25 позволяет достигнуть реального КПД 95%.
- Благодаря автоматической подаче топлива из бункера с помощью шнекового транспортера котел может работать на одной загрузке до 5 суток. Очистка от золы требуется не чаще раза в месяц.
- Поддержание заданной температуры воды или температуры в отапливаемом помещении производится системой автоматического управления процессом горения.
- Экологическая чистота используемого топлива гарантирует минимальное выделение вредных веществ.
- Все котлы снабжены системой контроля работы основных узлов и автоматическим розжигом пеллет, что обеспечивает абсолютную безопасность их эксплуатации.
- Автоматическая остановка котла после догорания топлива или при отключении электроэнергии и возобновление работы котла без дополнительных настроек после включения электроэнергии.
- Надежная система против возгорания пеллет.
- При необходимости к котлу на пеллетах ATMOS возможно подключить комбинированный бойлер или косвенного нагрева для ГВС.
ТЕХНИЧЕСКАЯ ХАРАКТЕРИСТИКА
| Тип котла | D25PX | |
| Производительность котла | кВт | 4,5 - 24 |
| Площадь теплообменника | м2 | 2,3 |
| Объем загрузочного бункера для пеллет | dm3 | 215 |
| Размер загрузочной камеры | мм | 542x480 |
| Предписываемая тяга дымохода | Па | 16 |
| Максимальное рабочее избыточное давление воды | кпу | 250 |
| Вес котла | кг | 418 |
| Диаметр вытяжной горловины | мм | 150/152 |
| Покрытие эл. части | IP | 20 |
| Электрическая потребляемая мощность - при запуске - при эксплуатации | 572/1092 92 | |
| КПД котла | % | 94 |
| Класс котла | 5 | |
| Класс энергетической эффективности | A+ | |
| Температура дымовых газов при номинальном мощности (гранулы) | °C | 142 |
| Весовой поток дымовых газов при номинальном мощности (гранулы) | кг/с | 0,015 |
| Предписанное топливо (предпочтительно) | пеллеты диаметром 6 - 8 мм, теплотворная способность 16 - 19 МДж.кг | |
| Средний расход топлива - гранул в номинальном производительности | 4,0 | |
| Объем воды в котле | l | 76 |
| Гидравлические потери котла | mbar | 0,20 |
| Минимальный объем буферного бака | l | 500 |
| Напряжение подключения | В/Гц | 230/50 |
| Минимальная температура возвратной воды | °C | 65 |
| Предписанная рабочая температура котла | °C | 80-90 |
| Размеры котла | ||
| Высота А | мм | 1411 |
| Ширина С | мм | 674 |
| Глубина котла В1 | мм | 1345 |
| Глубина котла с пеллетной горелкой В2 | мм | 1647 |
| 1. | Корпус котла | 16. | Главный выключатель (код: S0092) |
| 2. | Дверь для золоудаления (код: S0459) | 17. | Котловой термостат (код: S0021) |
| 3. | Горелка для пеллет ATMOS A25 (код: H0044) | 18. | Выключатель горелки (код: S0102) |
| 4. | Панель управления | 19. | Предохранительный термостат (код: S0068) |
| 5. | Шнек (винтовой) подачи пеллет | 20. | Предохранитель T6,3A/1500 - тип |
| 6. | Изоляция дверец - Sibral с отверстием для горелки (код: S0266) | 21. | Крышка для очистки теплообменника |
| 7. | Уплотнительный шнур 18 x 18 мм (код: S0240) | 22. | Вентилятор - вытяжной |
| 8. | Колечко (код: S1047) | 23. | Конденсатор для вытяжного вентилятора |
| 9. | Изоляция под горелку (код: S0164) | 24. | Крышка дымового канала |
| 10. | Топливный бункер 175 л | 25. | Крышка топливного бункера |
| 11. | Трубчатый теплообменник | 26. | Соединительная гофра горелки - длина 550 мм, Ø 65 мм |
| 12. | Очистка трубчатого теплообменника | К | Дымоход |
| 13. | Огнеупор камеры | L | Выход воды из котла |
| 14. | Огнеупор - диафрагма | М | Вход воды в котел |
| 15. | Термометр (код: S0041) | N | Сливной кран |
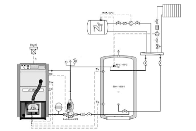
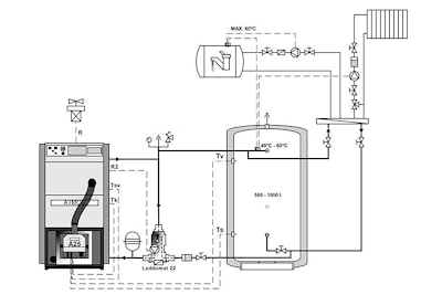
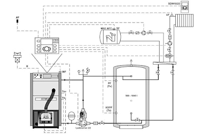
ВАРИАНТЫ МОНТАЖА ПЕЛЛЕТНОГО КОТЛА ATMOS D25PX
![]() | |
Данные схемы являются примером грамотного монтажа для эффективного и экономичного отопления. По желанию заказчика для обвязки малого контура вместо насосного узла малого контура LADDOMAT можно использовать термостатический вентиль REGULUS, насос и обратный клапан без пружины. В случае необходимости возможно установка пеллетного котла без буферного бака.
Для удобства обслуживания пеллетной горелки в качестве дополнительной опции завод-производитель предлагает оснастить котел ATMOS D 25 PX пневматической очисткой.
ПОЛЕЗНАЯ ИНФОРМАЦИЯ:
Каталог пеллетных котловПаспорт пеллетной горелки ATMOS A25
ООО "Торговый дом "АТМОС" - официальный дилер и уполномоченный сервисный центр чешского производителя ATMOS в Беларуси.
Звоните, чтобы купить чешский пеллетный котел Атмос с автоматической подачей пеллет и многофункциональной пеллетной горелкой ATMOS A25 в Минске.
+375 29 694 33 98 A1
+375 29 748 14 84 МТС
Обращаем ваше внимание, что наличие товаров на сайте указано справочно и может отличаться.
Пожалуйста, уточняйте актуальную информацию у наших менеджеров — они всегда готовы помочь вам с выбором и подтвердить наличие нужной модели на складе.
Производитель
Atmos
Мощность
25 кВт
Площадь обогрева
250 м2
КПД
95%
Вид топлива
пеллеты
Страна производитель
Чехия
Диаметр дымохода
152 мм
Объём бункера
215 л
Если вы хотите купить пеллетный автоматический котел ATMOS D25PX , вы можете:
Позвонить:












